产品中心

产品分类

热门关键词

联系我们

无锡克昂科技有限公司

地址:无锡市新吴区五洲国际工业博览城54-902

座机:0510-88102519      

手机:15850382199

邮箱:wxkeang@126.com   


45系列

您的当前位置:主页 > 产品中心 > 流水线型材 > 45系列

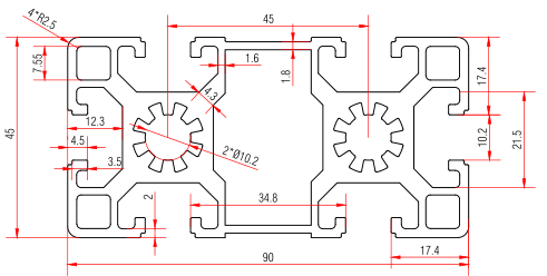
KA-10-4590

                         :      KA-10-4590

    ------------------------------------------------------

           质     :       铝  合  金

    ------------------------------------------------------

    Material      :  Al (6063-T5)

    ------------------------------------------------------

    单位质量Weight :       4.06 kg/m

    ------------------------------------------------------

    长度    Length :        6.02 m

    ------------------------------------------------------

    集合惯性  Mass of modulus

     Lx=23.9  cm4                  Ly=104.1  cm     

    ------------------------------------------------------

    截面惯性  Section modulus

      Zx=10.6 cm3                  Zy=23.1 cm3 

    ------------------------------------------------------

相关标签:

上一篇: KA-10-4590A
下一篇: KA-10-4560
在线客服
分享 一键分享