产品中心

产品分类

热门关键词

联系我们

无锡克昂科技有限公司

地址:无锡市新吴区五洲国际工业博览城54-902

座机:0510-88102519      

手机:15850382199

邮箱:wxkeang@126.com   


15系列

您的当前位置:主页 > 产品中心 > 流水线型材 > 15系列

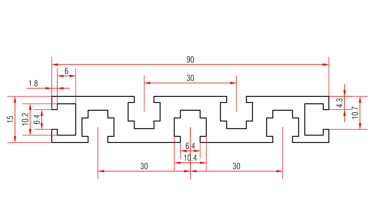
KA-6-1590

                         :      KA-6-1590

    ------------------------------------------------------

           质     :       铝  合  金

    ------------------------------------------------------

    Material      :  Al (6063-T5)

    ------------------------------------------------------

    单位质量Weight :        2.32 kg/m

    ------------------------------------------------------

    长度    Length :        6.02m

    ------------------------------------------------------

    集合惯性  Mass of modulus

      Lx=1.8  cm4                     Ly=45.9  cm     

    ------------------------------------------------------

    截面惯性  Section modulus

      Zx=2.57 cm3                   Zy=1.02 cm3 

    ------------------------------------------------------

相关标签:

上一篇: KA-6-1530
下一篇: KA-8-1640

相关产品:

在线客服
分享 一键分享