产品中心

产品分类

热门关键词

联系我们

无锡克昂科技有限公司

地址:无锡市新吴区五洲国际工业博览城54-902

座机:0510-88102519      

手机:15850382199

邮箱:wxkeang@126.com   


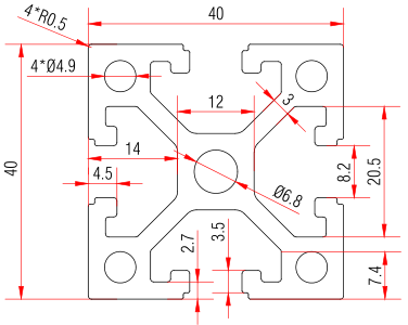
40-1系列

KA-8-4040L

                         :      KA-8-4040L

    ------------------------------------------------------

           质     :       铝  合  金

    ------------------------------------------------------

    Material      :  Al (6063-T5)

    ------------------------------------------------------

    单位质量Weight :       2.10kg/m

    ------------------------------------------------------

    长度    Length :        6.02m

    ------------------------------------------------------

    集合惯性  Mass of modulus

      Ix=11.2 cm4                     Iy=11.2 cm     

    ------------------------------------------------------

    截面惯性  Section modulus

       Zx=5.6 cm3                     Zy=5.63 cm3 

    ------------------------------------------------------

相关标签:

上一篇: KA-8-4040M
下一篇: KA-8-4040K
在线客服
分享 一键分享